프리스토어드 VBR 비디오 스트림을 위한 호출 허가 제어 알고리즘

본 논문은 사전 스무딩된 가변 비트레이트(VBR) 비디오 스트림을 네트워크에 삽입할 때, 기존 트래픽을 초과하지 않도록 최소 시간 지연을 계산하는 문제를 정의하고, 이를 2‑스트림 스케줄링(2‑SS)과 다중 스트림 스케줄링(m‑SS)으로 구분한다. 2‑SS에 대해서는 높이 기반 정렬과 구간 병합을 이용한 형태학적 알고리즘을 제시해 O((P+n)log n) 시간 복잡도를 달성한다. 또한 2‑SS가 3SUM‑hard임을 증명하고, m‑SS가 STR…

저자: Christos Tryfonas, Dimitris Papamichail, Andrew Mehler

프리스토어드 VBR 비디오 스트림을 위한 호출 허가 제어 알고리즘
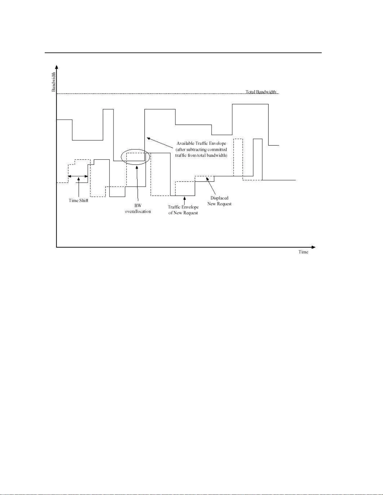
본 논문은 사전 스무딩된 가변 비트레이트(VBR) 비디오 스트림을 네트워크에 삽입할 때 발생하는 호출 허가(Call‑Admission Control) 문제를 체계적으로 분석한다. 먼저 VBR 스트림은 워크‑어헤드 스무딩 기법을 통해 피크(구간)들의 집합으로 변환될 수 있음을 설명한다. 각 피크는 고정된 대역폭 요구량(높이 h)과 시작·종료 시점(s, e)으로 정의되며, 피크 간 겹침이 없도록 사전 계산된 스케줄은 디코더 버퍼의 오버플로우·언더플로우를 방지한다. 새로운 스트림 요청이 들어오면, 기존에 전송 중인 스트림(S₁)의 피크와 새 스트림(S₂)의 피크가 동시에 존재하는 구간에서 두 피크의 대역폭 합이 채널 용량 B 를 초과하면 전체 시스템이 과부하된다. 따라서 S₂를 일정 시간 T 만큼 오른쪽으로 이동시켜 모든 “교차 구간”(intersection interval)을 피해야 한다. 교차 구간은 h₁ᵢ + h₂ⱼ > B 인 피크 쌍 (i, j) 에 대해 tᵢⱼ =

원본 논문

고화질 논문을 불러오는 중입니다...

댓글 및 학술 토론

Loading comments...

의견 남기기