Fit;o) - A M"ossbauer spectrum fitting program

Fit;o) - A M"ossbauer spectrum fitting program
Notice: This research summary and analysis were automatically generated using AI technology. For absolute accuracy, please refer to the [Original Paper Viewer] below or the Original ArXiv Source.

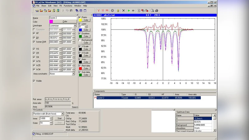
Fit;o) is a M"ossbauer fitting and analysis program written in Borland Delphi. It has a complete graphical user interface that allows all actions to be carried out via mouse clicks or key shortcut operations in a WYSIWYG fashion. The program does not perform complete transmission integrals, and will therefore not be suited for a complete analysis of all types of M"ossbauer spectra and e.g. low temperature spectra of ferrous silicates. Instead, the program is intended for application on complex spectra resulting from typical mineral samples, in which many phases and different crystallite sizes are often present at the same time. The program provides the opportunity to fit the spectra with Gaussian, Lorentzian, Split-Lorentzian, Pseudo-Voigt, Pseudo-Lorentz and Pearson-VII line profiles for individual components of the spectra. This feature is particularly useful when the sample contains components, that are affected by effects of either relaxation or interaction among particles. Fitted spectra may be printed, fits saved, data files exported for graph creation in other programs, and analysis tables and reports may be exported as plain text or LaTeX files. With Fit;o) even an inexperienced user will soon be able to analyze and fit relatively complex M"ossbauer spectra of mineralogical samples quickly without programming knowledge.


💡 Research Summary

Fit;o) is a dedicated Mössbauer spectrum fitting and analysis program written in Borland Delphi, designed primarily for the rapid, user‑friendly handling of complex mineralogical samples that often contain multiple phases and a broad distribution of crystallite sizes. The software distinguishes itself by providing a complete graphical user interface (GUI) that allows every operation—loading data, defining peaks, setting initial parameters, executing fits, and exporting results—to be performed through mouse clicks or keyboard shortcuts in a true WYSIWYG (What‑You‑See‑Is‑What‑You‑Get) fashion. This design dramatically lowers the learning curve compared with traditional command‑line or script‑based fitting tools, enabling even inexperienced users to obtain reliable quantitative information from Mössbauer spectra without any programming knowledge.

Fit;o) does not implement full transmission integral calculations. Transmission integrals are essential for accurately modeling spectra where multiple absorption events, strong magnetic hyperfine interactions, or low‑temperature effects (e.g., ferrous silicates at cryogenic temperatures) dominate the line shape. Consequently, the program is not intended for those special cases; users requiring such precision must resort to dedicated software that performs full integral calculations. Nevertheless, for the majority of routine mineralogical applications—where spectra are composed of overlapping sextets, doublets, and singlets arising from several mineral phases—the omission of transmission integrals does not significantly impair the quality of the fit, and the speed and simplicity of Fit;o) become decisive advantages.

A central strength of Fit;o) lies in its extensive library of line‑profile functions. Six profiles are available:

  1. Gaussian – symmetric, suitable for purely instrumental broadening.
  2. Lorentzian – symmetric, representing natural lifetime broadening.
  3. Split‑Lorentzian – asymmetric, useful when relaxation or distribution effects skew the line shape.
  4. Pseudo‑Voigt – a weighted sum of Gaussian and Lorentzian, offering a flexible intermediate shape.
  5. Pseudo‑Lorentz – similar to Pseudo‑Voigt but with a different weighting scheme, often better for intermediate cases.
  6. Pearson‑VII – a generalized profile with an adjustable tail exponent, capable of reproducing very broad or heavy‑tailed peaks that arise from particle‑size distributions, magnetic relaxation, or inter‑particle interactions.

The availability of these profiles enables the user to tailor the fitting model to the physical origin of each component. For instance, a broad, asymmetric sextet caused by magnetic relaxation can be modeled with a Split‑Lorentzian, while a narrow, well‑resolved doublet from a well‑crystallized phase may be fitted with a simple Gaussian. The Pearson‑VII profile is especially valuable when the spectrum exhibits pronounced tails that cannot be captured by standard Gaussian/Lorentzian shapes.

Fit;o)’s fitting engine employs the Levenberg‑Marquardt algorithm for non‑linear least‑squares minimization. Users can set parameter bounds, fix selected parameters, and provide automatic initial guesses based on peak detection. During the fitting process, the software continuously updates the residuals and χ² values, displaying them graphically so that the operator can assess convergence in real time and intervene if necessary.

Data handling is straightforward: raw spectra are imported as CSV files (or other simple text formats). The program plots the raw data, the fitted model, and the residual curve in a single window. Results can be exported in several formats:

  • Graphical output – PNG, BMP, or other bitmap formats for inclusion in presentations or publications.
  • Numerical output – plain‑text tables containing fitted hyperfine parameters (isomer shift, quadrupole splitting, magnetic hyperfine field, line width, asymmetry, etc.).
  • LaTeX tables – ready‑to‑paste code for high‑quality typesetting in scientific manuscripts.

These export options facilitate seamless integration of Fit;o)’s results into downstream analysis pipelines, report generation, or collaborative projects.

From a software architecture perspective, Fit;o) is built on Delphi’s Visual Component Library (VCL), resulting in a modular code base where the fitting core is encapsulated in a separate unit. Although the current version does not support user‑written scripts, plugins, or external API calls, the modular design suggests that future extensions could be incorporated with moderate effort. The program is closed‑source and distributed under a commercial license, which may limit its adoption in environments that require open‑source tools or extensive customisation.

The authors demonstrate the utility of Fit;o) with several case studies involving natural mineral samples containing mixtures of iron‑bearing phases such as magnetite, hematite, goethite, and various silicates. By selecting appropriate line profiles for each component—e.g., Pearson‑VII for broad, size‑distributed magnetite sextets and Split‑Lorentzian for relaxation‑broadened goethite doublets—the software successfully deconvolutes overlapping features, yielding reliable estimates of phase fractions, hyperfine fields, and quadrupole splittings. The speed of the fitting routine, combined with the intuitive GUI, allowed the researchers to iterate rapidly over different model configurations, a process that would be considerably more time‑consuming with command‑line tools.

In summary, Fit;o) offers a pragmatic balance between ease of use and analytical flexibility for routine Mössbauer spectroscopy of complex mineralogical samples. Its strengths are the comprehensive GUI, the variety of line‑profile functions, real‑time fit diagnostics, and versatile export capabilities. The main limitation is the lack of full transmission‑integral calculations, which restricts its applicability to spectra where such effects are negligible. For low‑temperature or strongly magnetic systems, users should complement Fit;o) with dedicated integral‑based software. Future development directions that could broaden its impact include adding support for user‑defined plugins, opening the source code, and incorporating transmission‑integral modules. Nonetheless, as it stands, Fit;o) is a valuable tool for geochemists, mineralogists, and solid‑state physicists who need to extract quantitative hyperfine information from multi‑phase Mössbauer spectra quickly and without extensive programming expertise.


Comments & Academic Discussion

Loading comments...

Leave a Comment