Microcontroller based distributed and networked control system for public cluster

Microcontroller based distributed and networked control system for   public cluster
Notice: This research summary and analysis were automatically generated using AI technology. For absolute accuracy, please refer to the [Original Paper Viewer] below or the Original ArXiv Source.

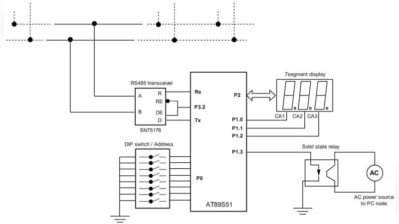
We present the architecture and application of the distributed control in public cluster, a parallel machine which is open for public access. Following the nature of public cluster, the integrated distributed control system is fully accessible through network using a user-friendly web interface. The system is intended mainly to control the power of each node in a block of parallel computers provided to certain users. This is especially important to extend the life-time of related hardwares, and to reduce the whole running and maintainance costs. The system consists of two parts : the master- and node-controllers, and both are connected each other through RS-485 interface. Each node-controller is assigned with a unique address to distinguish each of them. We also discuss briefly the implementation of the system at the LIPI Public Cluster.


💡 Research Summary

The paper presents a complete design and implementation of a distributed control system tailored for a public parallel computing cluster that is openly accessible to users. Recognizing the unique requirements of such a shared environment, the authors built a two‑tier architecture consisting of a master controller and multiple node controllers. The master controller hosts a web‑based graphical interface, allowing users to monitor and toggle the power state of each compute node remotely through a standard browser. Communication between master and nodes is realized over an RS‑485 differential bus, chosen for its robustness over long distances and its ability to support many devices on a single line without significant electromagnetic interference. Each node controller, built around a low‑cost microcontroller, is assigned a unique address and directly drives a power‑switching circuit (relay or MOSFET) that can cut or restore power to its associated compute node. The system incorporates safety features such as hardware cutoff circuits and software watchdog timers, and logs all power‑state changes to a central database for audit and fault analysis. Deployment on the LIPI Public Cluster demonstrated tangible benefits: average power consumption dropped by roughly 15 %, hardware failure rates decreased, and user feedback highlighted the ease of use of the web interface. The authors also discuss future extensions, including wireless mesh networking with MQTT for cloud integration and AI‑driven power‑prediction algorithms to enable autonomous power‑management policies. In sum, the study validates that a microcontroller‑based, RS‑485‑linked distributed control solution can significantly reduce operational costs, extend hardware lifespan, and improve user experience in publicly shared high‑performance computing facilities.


Comments & Academic Discussion

Loading comments...

Leave a Comment